Project

SmartLamp PCB

Compacte RGBW-controller met geïntegreerde vermogensconversie en draadloos IoT-beheer.

September 2025
PCB Ontwerp ESP32 Vermogenselektronica IoT-ontwikkeling

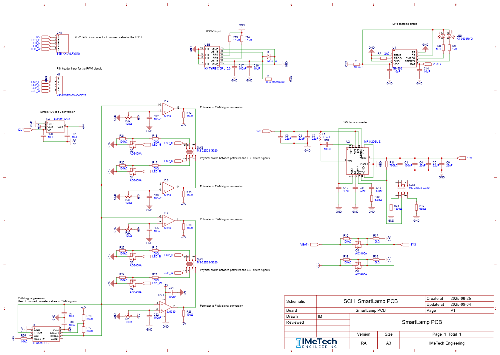
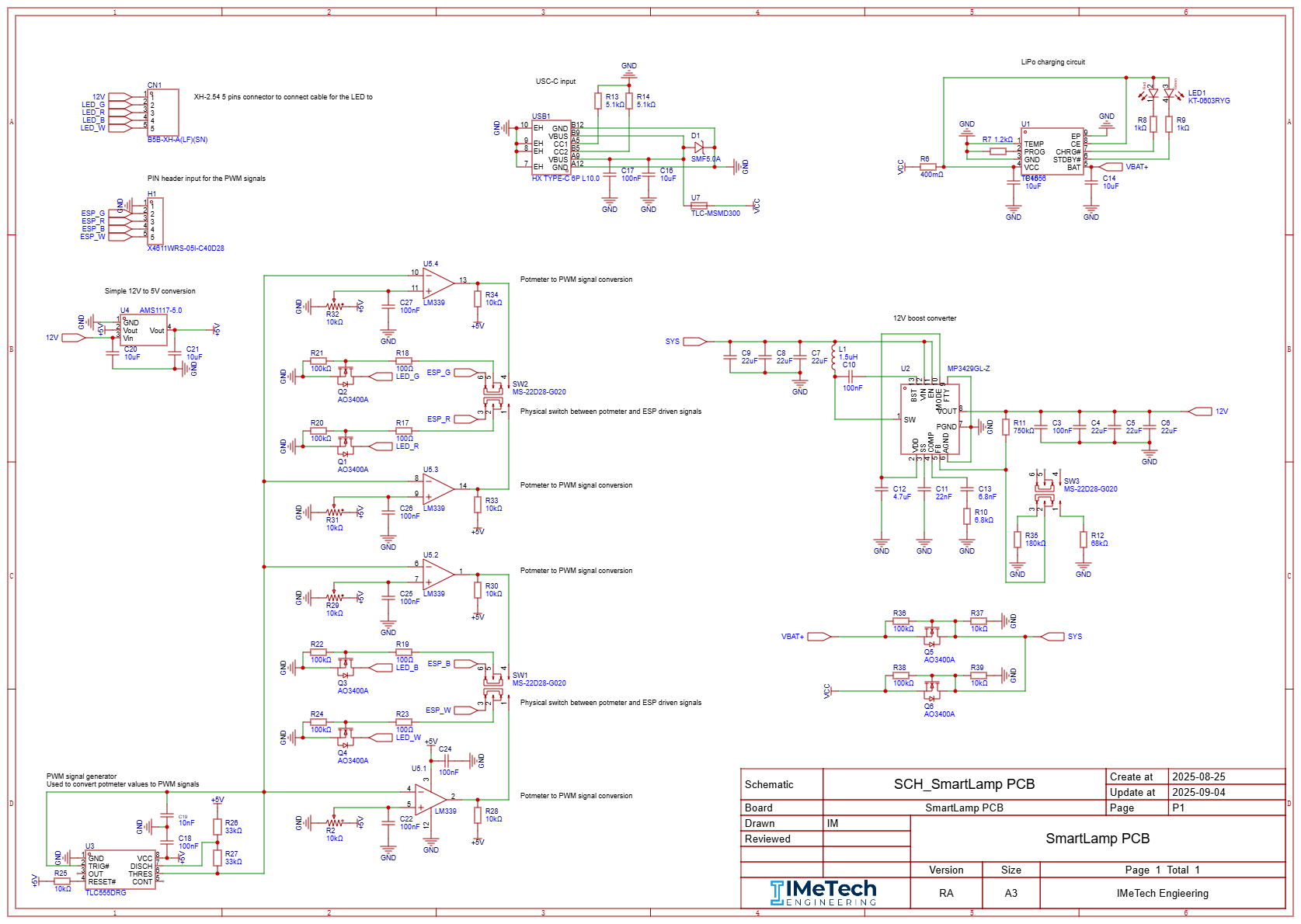
The SmartLamp PCB is een sterk geïntegreerd driverboard ontworpen om professionele RGBW LED-strips aan te sturen via het ESP32-platform. Veelzijdigheid is de kern van het ontwerp, met ondersteuning voor zowel 5V als 12V strips via een fysieke hardware-schakelaar. Het bevat ook analoge potentiometer-overrides voor handmatige bediening, als fail-safe backup voor draadloze signalen.

Geïntegreerd energiebeheer omvat een Li-Ion laadcircuit (TP4056/TP4057) met USB-C ingang en een hoogefficiënte boost converter die de batterijspanning opwaardeert naar de vereiste LED-rail. Het board ondersteunt tot 12W continu LED-vermogen, geschikt voor zowel sfeerverlichting als architecturale modules.

Met zijn vormgeoptimaliseerde layout en robuuste beschermingscircuits (PTC-zekeringen, thermische uitschakeling) is het een veldklare oplossing voor custom smart lighting en embedded HMI-projecten.

Custom verlichting of vermogensregeling?

Ik ontwerp en bouw professionele PCB-oplossingen voor IoT en industriële HMI.

Start jouw project